服務咨詢電話13355457777
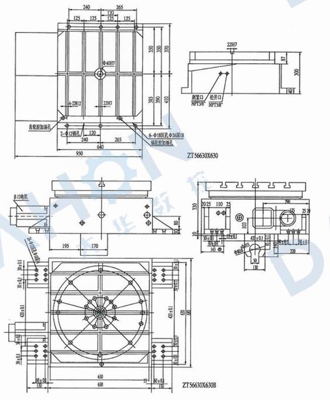
ZT 56系列數控等分轉臺用于數控銑、鏜床及加工中心加工等分零件的加工,它采用伺服電機驅動,三聯齒盤精確定位,具有精度高、載重大、精度保持性好等特點。(工作臺可根據用戶要求訂做圓形或知形)
ZT 56 series NC indexing rotary table can be used on NC milling machine and machine center for carrying out equaldivision.It is driven by servo motor and mechanical rotary table with non-lifting Hirth coupling.



